Вход/Регистрация
Мой мир
вернуться

Гребенников Виктор Степанович

Шрифт:

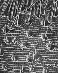
Положил на микроскопный столик эту небольшую вогнутую хитиновую пластинку, чтобы еще раз рассмотреть ее странно-звездчатые ячейки при сильном увеличении. Полюбовался очередным шедевром Природы-ювелира, и почти безо всякой цели положил было на нее пинцетом другую точно такую же пластинку с этими необыкновенными ячейками на одной из ее сторон.

Но не тут-то было: деталька вырвалась из пинцета, повисела пару секунд в воздухе над той, что на столике микроскопа, немного повернулась по часовой стрелке, съехала — по воздуху! — вправо, повернулась против часовой стрелки, качнулась, и лишь тогда быстро и резко упала на стол.

Что я пережил в тот миг — читатель может лишь представить…

Придя в себя, я связал несколько панелей проволочкой; это давалось не без труда, и то лишь когда я взял их вертикально. Получился такой многослойный «хитиноблок». Положил его на стол. На него не мог упасть даже такой сравнительно тяжелый предмет, как большая канцелярская кнопка: что-то как бы отбивало ее вверх, а затем в сторону. Я прикрепил кнопку сверху к «блоку» — и тут начались столь несообразные, невероятные вещи (в частности, на какие-то мгновения кнопка начисто исчезла из вида!), что я понял: никакой это не маяк, а совсем-совсем Другое.

И опять у меня захватило дух, и опять от волнения все предметы вокруг меня поплыли как в тумане; но я, хоть с трудом, все-таки взял себя в руки, и часа через два смог продолжить работу…

Вот с этого случая, собственно, все и началось.

Многое, разумеется, еще нужно переосмыслить, проверить, испытать. Я, конечно же, расскажу читателю и о «тонкостях» работы моего аппарата, и о принципах его движения, расстояниях, высотах, скоростях, об экипировке и обо всем остальном — но это будет уже в следующей моей книге.

…Весьма неудачный, крайне рискованный полет я совершил в ночь с 17 на 18 марта 1990 года, не дождавшись сезона и поленившись отъехать в безлюдную местность. А ночь — я уже хорошо знал — самое рискованное время суток для этой работы.

Неудачи начались еще до взлета: блок-панели правой части несущей платформы заедало, что следовало немедленно устранить, но я этого не сделал. Поднимался прямо с улицы нашего ВАСХНИЛ-городка, опрометчиво полагая, что во втором часу ночи все спят и меня никто не видит. Подъем начался вроде бы нормально, но через несколько секунд, когда дома с редкими светящимися окнами ушли вниз и я был метрах в ста над землей, — почувствовал себя дурно, как перед обмороком. Тут опуститься бы, но я этого не сделал, и зря, так как какая-то мощная сила как бы вырвала у меня управление движением и тяжестью — и неумолимо потащила в сторону города.

Влекомый этой неожиданной, не поддающейся управлению силой, я пересек второй круг девятиэтажек жилой зоны городка (они расположены двумя огромными — по километру в диаметре — кругами, внутри которых пятиэтажки, в том числе и наша), перелетел заснеженное неширокое поле, наискосок пересек шоссе Новосибирск — Академгородок, Северо-Чемской жилмассив… На меня надвигалась — и надвигалась быстро — темная громада Новосибирска, и вот уже почти рядом несколько «букетов» заводских высоченных труб, многие из которых, хорошо помню, медленно и густо дымили: работала ночная смена… Нужно было что-то срочно предпринимать.

С величайшим трудом овладев ситуацией, я сумел с грехом пополам сделать аварийную перенастройку блок-панелей. Горизонтальное движение стало замедляться, но тут мне снова стало худо, что в полете совершенно недопустимо. Лишь с четвертого раза удалось погасить горизонтальное движение и зависнуть над Затулинкой — заводским Кировским районом города. Зловещие трубы продолжали безмолвно и круто дымить совсем близко подо мною. Отдохнув несколько минут — если можно назвать отдыхом странное висение над освещенным забором какого-то завода, рядом с которым сразу начинались жилые кварталы, и с облегчением убедившись, что «злая сила» исчезла, я заскользил обратно, но не в сторону нашего ВАСХНИЛ-городка, а правее, к Толмачеву — запутать след на тот случай, если кто меня заметил. И примерно на полпути к этому аэропорту, над какими-то темными ночными полями, где явно не было ни души, круто повернул домой…

Возможно, именно таким виделся с земли взлет моего гравитоплана…

… а зависание его над заводами Затулинки — вот таким. Однако «очевидцы» сообщали о чем-то совсем-совсем другом…

На следующий день, естественно, я не мог подняться с постели. Новости, сообщения по телевидению и в газетах, были для меня более чем тревожными. Заголовки «НЛО над Затулинкой», «Снова пришельцы?» явно говорили о том, что мой полет засекли. Но как! Одни воспринимали «феномен» как светящиеся шары или диски, причем многие почему-то «видели» не один шар, а… два! Поневоле скажешь: у страха глаза велики. Другие утверждали, что летела «настоящая тарелка» с иллюминаторами и лучами…

Не исключаю и того, что некоторые затулинцы видели отнюдь не мои почти аварийные эволюции, а что-то другое, не имеющее отношения к ним. Тем более, что март 1990-го был чрезвычайно «урожайным» на НЛО и в Сибири, и под Нальчиком, и, особенно, в Бельгии, где ночью 31 марта, как сообщала газета «Правда», инженер Марсель Альферлан, схватив видеокамеру и взбежав на крышу дома, отснял двухминутный фильм о полете одного из огромных «инопланетных» треугольников-гравитопланов, которые, по авторитетному заключению бельгийских ученых, не что иное, как «материальные объекты, причем с такими возможностями, которые пока не в состоянии создать никакая цивилизация».

  • Читать дальше
  • 1
  • ...
  • 53
  • 54
  • 55
  • 56
  • 57
  • 58
  • 59
  • 60
  • 61
  • 62
  • 63
  • ...

Ебукер (ebooker) – онлайн-библиотека на русском языке. Книги доступны онлайн, без утомительной регистрации. Огромный выбор и удобный дизайн, позволяющий читать без проблем. Добавляйте сайт в закладки! Все произведения загружаются пользователями: если считаете, что ваши авторские права нарушены – используйте форму обратной связи.

Полезные ссылки

  • Моя полка

Контакты

  • chitat.ebooker@gmail.com

Подпишитесь на рассылку: