Вход/Регистрация
Электронные самоделки
вернуться

Кашкаров Андрей Петрович

Шрифт:

Для других версий АОН последовательная комбинация кнопок может быть другой. Подключение к клавиатурам других версий АОН необходимо уточнить в соответствующей инструкции по эксплуатации.

5.2. Универсальный шлейф охраны помещений

В качестве контактов шлейфа используют прототип концевого включателя, установленный на входной двери, а в качестве вариантов — сопутствующий ему по функции геркон на замыкание (при исходном состоянии нормально закрытой двери совмещенный с герконом магнит способствует замыканию контактов, а при открывании двери контакты размыкаются). Или любое другое устройство, в том числе контакты реле, нормально замкнутые и размыкаемые при наступлении тревожного случая. Во избежание ложных срабатываний и нестабильной работы телефонного аппарата, сопротивление между коммутационными контактами шлейфа должно быть минимальным, также как и длина провода от телефона к контактам шлейфа (не более 50 см). Если этих условий выполнить нельзя, то непосредственно рядом с аппаратом устанавливают слаботочное электромагнитное реле, которое управляется внешней электронной схемой, датчиком к которой служат контакты шлейфа охраны.

Шлейф охраны представляет собой замкнутую петлю провода общим сопротивлением не более 1 кОм, подключенную к входу логики АОН. Он накоротко замыкает вход шлейфа АОН и общий провод. Даже кратковременного однократного нарушения целостности шлейфа достаточно для перехода АОН в режим активной сигнализации. Схемотехнику телефонных аппаратов с АОН нет необходимости описывать подробно, т. к. она уже многократно описана в литературе и многие радиолюбители собирали свои АОН самостоятельно. Далее наибольшую важность приобретают следующие рекомендации.

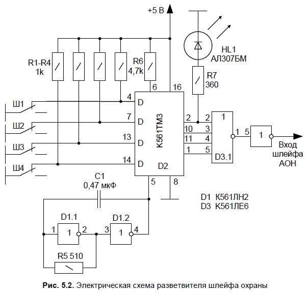
Для эффективной охраны территории с помощью шлейфа необходимо брать под охрану не только входную (любую) дверь, но и как можно больше других объектов потенциального проникновения нарушителя (окна, вторую входную дверь, дверь балкона), кроме того, необходимы различные охранные датчики перед входной дверью, акустические, инфракрасные, тепловые, емкостные датчики охраны. Таким образом, основной шлейф нужно разбить на несколько шлейфов с одинаковой эффективностью и быстродействием. Для этого разработан и прошел успешные испытания электронный узел, схема которого представлена на рис. 5.2.

Она состоит из устройства запоминания входного состояния, реализованного на D-триггерах. Простая схема реализована всего на двух КМОП-микросхемах К561 (К564, КР1564) серии, поэтому обеспечивает работоспособность при напряжении питания +5 В (от источника питания самого АОН) и является достаточно помехонезависимой. Количество входных шлейфов-каналов можно легко расширить путем добавления аналогичной микросхемы К561ТМ3.

5.2.1. Принцип работы схемы

На четырех объектах установлены нормально замкнутые охранные шлейфы Ш1—Ш4. При обрыве шлейфа или кратковременном нарушении контакта на соответствующем входе D появляется логическая «1». Автогенератор на логических элементах DD1.1, DD1.2 работает на частоте 1 кГц (корректируется элементами RC-цепи) и подает импульсы на тактовый вход С триггерной микросхемы DD2. К каждому выходу Q микросхемы DD2 подключен индикаторный светодиод с ограничительным резистором. Эта часть не является обязательной и на схеме полностью не показана. По положительному фронту тактового импульса на соответствующем выходе (выводы микросхемы 2, 10, 11, 1) появляется высокий логический уровень и загорается (для индикации состояния) соответствующий светодиод. Логический вход АОН настроен на восприятие сигнала высокого уровня как сигнала обрыва шлейфа, и этот импульс подается с инвертора элемента DD1.3. Вместо микросхемы К561ЛЕ6 можно применить другую логику (К176ЛП11) или набор дискретных диодов. Положительный полюс источника питания АОН подключается к выводам 14 микросхем DD1, DD3 и выводу 16 микросхемы DD2. Общий провод соответственно к выводам 7 DD1, DD3 и выводу 8 микросхемы DD2.

Микросхема К561ТМ3 содержит четыре D-триггера. Тактовый вход С (вывод 5) общий, как и вход переключения полярности Р (вывод 6). Если на входе Р высокий уровень, то данные передаются при положительном фронте сигнала на тактовом входе, при низком уровне на входе переключения полярности все происходит с точностью до наоборот.

5.2.2. Практические рекомендации

Для лучшей помехозащищенности входов триггера при удалении шлейфа от основной схемы более чем на 10 метров (актуально в нежилых производственных помещениях), по пути от датчиков шлейфа к входам триггера, необходимо поставить МОП-элементы буферных усилителей без инверсии. Такими элементами могут быть, например, элементы микросхемы (К176) К561ПУ3, К561ПУ4 или сборки по два последовательно соединенных инвертора К561ЛН2 на канал.

Элементы устройства удобно монтировать в корпусе самого АОН. Параллельно выводам питания микросхем следует установить оксидный конденсатор емкостью 10–50 мкФ. Проводники к удаленным датчикам шлейфа подключаются к телефону через разъем. Такое устройство исправно обеспечивает охрану объектов. В авторском исполнении в качестве шлейфов используются: Ш1 — геркон на входной двери, Ш2 — датчики удара на стеклах в комнате и включенный параллельно им на стекле балконной двери, Ш3 — емкостной датчик в другой комнате, Ш4 — инфракрасный барьер на кухне. Однако совершенно не обязательно таким образом усложнять схему и дублировать шлейфы, радиолюбителю для охраны квартиры может быть достаточно двух шлейфов. Тогда свободные входы D-триггера замыкаются на общий провод.

В офисах коммерческих предприятий количество шлейфов может быть наоборот увеличено. В качестве телефонного номера, который программируется в АОН для сообщения об обрыве шлейфа, логично использовать номер своего мобильного телефона. При включении режима охраны шлейфа в АОН предусмотрена подпрограмма задержки времени взятия под контроль помещений в 1,5…2 мин для того, чтобы хозяин квартиры (офиса) мог спокойно выйти из помещения, разблокировав входную дверь, не беспокоясь о ложном срабатывании системы.

  • Читать дальше
  • 1
  • ...
  • 47
  • 48
  • 49
  • 50
  • 51
  • 52
  • 53
  • 54
  • 55
  • 56
  • 57
  • ...

Ебукер (ebooker) – онлайн-библиотека на русском языке. Книги доступны онлайн, без утомительной регистрации. Огромный выбор и удобный дизайн, позволяющий читать без проблем. Добавляйте сайт в закладки! Все произведения загружаются пользователями: если считаете, что ваши авторские права нарушены – используйте форму обратной связи.

Полезные ссылки

  • Моя полка

Контакты

  • chitat.ebooker@gmail.com

Подпишитесь на рассылку: