Вход/Регистрация
Мотоциклы
вернуться

Карзинкин Сергей Иванович

Шрифт:

Через упорный шарик червяк нажимает на стержень выключения сцепления, а далее на нажимной фасонный диск. Преодолевая усилие пружины сцепления, он перемещает стержень выключения сцепления справа налево, тем самым отодвигая влево нажимной диск, т. е. разгружая ведущие и ведомые диски от усилия пружин сцепления, сжимавшего их. По мере ослабления действия пружин сцепления, ведущие и ведомые диски начинают между собой пробуксовывать и механизм сцепления выключается. При опускании рычага сцепления на руле трос перестает тянуть рычаг выключения сцепления, который под действием возвратной пружины рычага выключения сцепления возвращает червяк в исходное положение. Стержень выключения сцепления и нажимной фасонный диск под действием пружин оцепления перемещаются направо, и нажимной диск сжимает ведомые и ведущие диски, т. е. механизм сцепления включается.

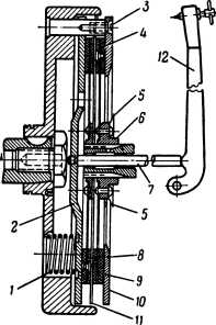
Устройство сцепления мотоцикла M1А

Сцепление мотоцикла М1А относится к многодисковому мокрому (масляному) типу. В основном расположение, устройство и конструкция сцепления этого мотоцикла аналогичны расположению, устройству и конструкции сцепления мотоцикла ИЖ-350. Отличие заключается в том, что в сцеплении мотоцикла М1А имеются три ведущих стальных диска со вкладышами из пробки. Число ведомых стальных дисков соответствует ведущим.

По сравнению со сцеплением мотоцикла ИЖ-350 детали сцепления мотоцикла М1А имеют следующее конструктивное различие. Ведущая зубчатка механизма сцепления (рис. 95) выполнена не вместе с ведущим барабаном сцепления, как у мотоцикла ИЖ-350, а приклепана к нему шестью стальными заклепками.

Рис. 95. Сцепление мотоцикла M1А: 1 — нажимной диск; 2 — пружина сцепления; 3 — ведущий барабан сцепления; 4 — ведущая зубчатка сцепления; 5 — заклепка; 6 — пусковая шестерня; 7 — пружина пусковой шестерни; 8 — диски сцепления.

По сравнению с пружинами сцепления мотоцикла ИЖ-350 конструкция пружин сцепления мотоцикла М1А упрощена. Пружины не имеют опорных стаканчиков и винтов, а одним из своих концов ввернуты в соответствующие отверстия в стенке ведомого барабана сцепления. Другой конец каждой из пружин сцепления загнут в виде крючка, который зацепляется за нажимной фасонный диск сцепления. Пружин сцепления пять. Рычаг выключения сцепления перемещается не в вертикальной плоскости, как у мотоцикла ИЖ-350, а в горизонтальной. Стержень выключения сцепления состоит из двух частей разной длины. На левой короткой его части имеется утолщение, увеличивающее опорную поверхность стержня при давлении на нажимной диск. Вытекание масла из отверстия предотвращает войлочный сальник, поставленный в первичном валу коробки передач.

Действие сцепления мотоцикла М1А аналогично действию сцепления мотоцикла ИЖ-350.

Такое же сцепление применяется на мотоцикле К-125, но с ведущими дисками из пластмассы и с большим числом дисков.

Обслуживание сцепления

Уход за механизмом сцепления мотоциклов М1А и ИЖ-350 заключается в своевременном пополнении и смене масла, заливаемого в картер моторной передачи, и в регулировке свободного хода выключения сцепления.

Выключение сцепления мотоциклов M1А и ИЖ-350 регулируется следующим образом. Освободив с помощью гаечного ключа контргайку (рис. 96) регулировочного винта выключения сцепления, отверткой отвертывают или завертывают регулировочный винт (одновременно удерживая ключом контргайку) до тех пор, пока не будет получен необходимый свободный ход рычага выключения сцепления.

Рис. 96. Регулировка сцепления мотоцикла М1А.

Свободный ход механизма выключения сцепления может быть проверен двумя способами: или по ходу рычага сцепления на руле (свободный ход конца этого рычага должен быть 3–5 мм), или вытаскиванием оболочки троса сцепления из упора в крышке картера. При правильно отрегулированном свободном ходе рычага выключения сцепления оболочка троса должна выходить без заметного сопротивления из упора не выше чем на 2–3 мм.

Сцепление мотоцикла М-72 смазки не требует. Регулировка его заключается в изменении длины троса сцепления при помощи регулировочного винта 2 (рис. 97).

Рис. 97. Регулировка сцепления и тормоза мотоцикла М-72: 1 — барашек регулировки тормоза; 2 — регулировочный винт сцепления.

При правильно отрегулированном натяжении троса свободный ход конца рычага сцепления на руле должен быть в пределах 3–5 мм, а выключение сцепления, ощутимое при нажиме на педаль пускового механизма, должно начинаться при перемещении этого рычага на 8—10 мм.

Неисправности сцепления, меры их предупреждения и устранение

В сцеплении в основном встречаются две неисправности: сцепление плохо выключается или, как говорят, «ведет» («тянет»); сцепление пробуксовывает.

Причиной плохого выключения сцепления обычно бывает чрезмерный свободный ход механизма выключения сцепления или перекос дисков. В первом случае необходимо отрегулировать свободный ход.

Плохое выключение сцепления вследствие перекоса дисков при выжатом сцеплении бывает довольно редко и, как правило, только у мотоциклов, имеющих значительный износ. Перекос дисков определяется обычно по нечеткому выключению сцепления при правильно установленном мертвом ходе механизма выключения. Причинами этого явления может быть ослабление некоторой части пружин сцепления или заедание одного или нескольких дисков в пазах барабана сцепления или на пальцах маховика (мотоцикл М-72).

В случае возникновения подобной неисправности у мотоциклов M1А и ИЖ-350 следует снять левую крышку картера (моторной передачи) и, нажимая на рычаг сцепления на руле, проверить, как отходит нажимной диск. Если диск отходит только одной стороной, пружины сцепления, установленные с этой стороны, ослабли. Для устранения этого недостатка у мотоцикла М1А лучше заменить все пружины сцепления новыми. Если новых пружин нет, то рекомендуется переставить пружины сцепления так, чтобы ослабленная пружина приходилась между двумя исправными. У мотоцикла ИЖ-350 усилие каждой пружины сцепления можно регулировать, завертывая или вывертывая упорные винты. Регулируя усилия пружин, добиваются равномерности отхода нажимного диска. Завертывать все упорные винты следует одновременно, причем не более чем на 1/4 оборота. При этом каждый раз следует проверять, как отходит нажимной диск.

  • Читать дальше
  • 1
  • ...
  • 55
  • 56
  • 57
  • 58
  • 59
  • 60
  • 61
  • 62
  • 63
  • 64
  • 65
  • ...

Ебукер (ebooker) – онлайн-библиотека на русском языке. Книги доступны онлайн, без утомительной регистрации. Огромный выбор и удобный дизайн, позволяющий читать без проблем. Добавляйте сайт в закладки! Все произведения загружаются пользователями: если считаете, что ваши авторские права нарушены – используйте форму обратной связи.

Полезные ссылки

  • Моя полка

Контакты

  • chitat.ebooker@gmail.com

Подпишитесь на рассылку: