Вход/Регистрация
Мотоциклы
вернуться

Карзинкин Сергей Иванович

Шрифт:

На мотоциклах применяются главные передачи двух видов: цепные или шестеренчатые передачи (обычно с помощью карданного вала).

В зависимости от расположения оси валиков коробки передач (оси коробки передач) относительно плоскости рамы мотоцикла конструкция главной передачи может быть выполнена различно. Рассмотрим некоторые схемы устройства главной передачи.

Ось коробки передач расположена перпендикулярно к плоскости рамы мотоцикла. В этом случае главная передача может быть цепной или шестеренчатой.

Цепная главная передача — на выводном конце вторичного вала коробки передач располагается цепная зубчатка, которая с помощью приводной цепи передает усилие соответствующей зубчатке, связанной непосредственно с ведущим колесом мотоцикла (рис. 113, а).

Рис. 113. Схемы устройства главной передачи, применяемые на мотоциклах в зависимости от расположения коробки передач: А — ось коробки передач расположена перпендикулярно к плоскости рамы мотоцикла: а — цепная главная передача; б — шестеренчатая главная передача; Б — ось коробки передач расположена параллельно плоскости рамы мотоцикла: в — шестеренчатая главная передача.

Шестеренчатая главная передача — на выводном конце вторичного валика коробки передач устанавливается коническая или червячная шестерня, которая через посредство соответствующей конической или червячной шестерни вращает приводной (карданный) вал. Карданный вал через пару конических или червячных шестерен приводит во вращение ведущее колесо мотоцикла (рис. 113, 6).

Ось коробки передач расположена параллельно плоскости рамы мотоцикла. В этом случае главная передача может быть только шестеренчатая. При такой передаче выводной конец вторичного вала коробки передач связан непосредственно с приводным (карданным) валом, который через пару конических или червячных шестерен приводит во вращение ведущее колесо мотоцикла (рис. 113, в).

Цепная передача при данном расположении коробки передач применена быть не может.

Наиболее часто применяются шестеренчатая главная передача с осью коробки передач, расположенной параллельно плоскости рамы мотоцикла.

Примером шестеренчатой главной передачи может служить главная передача мотоцикла М-72.

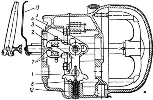
Устройство главной передачи мотоцикла М-72

Карданный вал 20 (рис. 114) получает вращение от коробки передач посредством упругой муфты, состоящей из двух стальных дисков и резиновой муфты с бандажом.

Рис. 114. Устройство главной передачи мотоцикла М-72: 1 — пробка картера главной передачи; 2— картер главной передачи. 3 — масляный карман с выходным отверстием для смазки подшипника скольжения; 4 — игольчатый подшипник ведущей шестерни; 5 — ведущая шестерня; 6 — вилка кардана; 7 — болт крепления вилки кардана; 8 — сальник; 9 — шариковый подшипник ведущей шестерни; 10 — ведомая шестерня; 11 — крышка картера главной передачи; 12 — шариковый подшипник ступицы; 13 — втулка картера; 14 — ступица; 15 — сальник; 16 — крышка сальника; 17 — крестовина кардана; 18 — защитный чехол; 19 — направляющая подвеска заднего колеса; 20 — карданный вал; 21 — стопорное кольцо упругой муфты кардана; 22 — диск упругой муфты кардана; 23 — ленточный бандаж упругой муфты кардана, 21 — резиновая муфта; 25 — вкладыш подшипника ступицы (нижнем); 25 — резиновый колпак; 27 — игольчатый подшипник кардана; 26 — вкладыш подшипника ступицы (верхний); 29 и 30 — отверстия для стока масла.

Один из этих дисков (на рисунке не изображен) устанавливается на выводном валу коробки передач, а другой диск 22 напрессовывается на конец карданного вала.

На каждом диске имеется по два стальных пальца, расположенных под углом 180°, которые входят в четыре отверстия резиновой муфты 24. Эти отверстия расположены под углом 90°. В центральное отверстие муфты завальцована стальная втулка. Снаружи на муфту надевается стальной ленточный бандаж 23, связанный с муфтой при помощи стопорного кольца 21. Такое устройство резиновой муфты ограничивает ее деформацию при передаче усилий к заднему колесу и предотвращает ее разрушение.

На противоположном- конце карданного вала выполнена вилка, являющаяся частью шарнира кардана, состоящего из крестовины 17, которая вмонтирована в гнезда вилок кардана, имеющих игольчатые подшипники 27. Для смазки игольчатых подшипников в крестовине кардана имеется масленка. Между торцами крестовины и игольчатыми подшипниками установлены резиновые кольца 39 (рис. 115) с боковыми стальными чашками 40. Этими кольцами защищаются подшипники от попадания грязи и влаги. Обоймы игольчатых подшипников удерживаются в гнездах вилок при помощи стопорных колец 41, вставленных в соответствующие канавки гнезд.

Рис. 115. Детали главной передачи и карданного вала мотоцикла М-72: 31— рычаг тормоза; 32— валик тормоза с кулачком; 33— ось тормозных колодок; 34 — регулировочная шайба; 35 — шайба специальная; 36 — шайба уплотнительная; 37 — гайка подшипника; 38 — масленка; 39 — резиновое кольцо; 40 —стальная чашка; 41 — стопорное кольцо; 42 — ось заднего колеса; 43 — втулка кронштейна подвески заднего колеса; 44 — прокладка крышки картера задней передачи; 45 — распорная втулка, 46 — регулировочная шайба; 47 — регулировочная шайба.

  • Читать дальше
  • 1
  • ...
  • 65
  • 66
  • 67
  • 68
  • 69
  • 70
  • 71
  • 72
  • 73
  • 74
  • 75
  • ...

Ебукер (ebooker) – онлайн-библиотека на русском языке. Книги доступны онлайн, без утомительной регистрации. Огромный выбор и удобный дизайн, позволяющий читать без проблем. Добавляйте сайт в закладки! Все произведения загружаются пользователями: если считаете, что ваши авторские права нарушены – используйте форму обратной связи.

Полезные ссылки

  • Моя полка

Контакты

  • chitat.ebooker@gmail.com

Подпишитесь на рассылку: