Вход/Регистрация
Электрика в доме
вернуться

Коршевер Наталья Гавриловна

Шрифт:

К сети электромотор стиральной машины подключают с помощью шнура со штепсельной вилкой, а включают нажатием пускового реле, которое останавливает электромотор через определенный промежуток времени. Для удобства транспортировки машина оснащена ручками для переноски и роликами для перекатки, а чтобы она сохраняла устойчивость во время отжима, ее удерживают ногой за скобу.

Устройство ручного отжима монтируется на корпусе машины сверху. Оно представляет собой два валика с резиновым покрытием, прижатых друг к другу плоской пружиной. В движение валики приводятся с помощью рукоятки.

Размеры стирального бака и мощность мотора (350 Вт) рассчитаны на одновременную загрузку до 1,5 кг сухого белья.

Устройство полуавтоматических машин типа СМП (рис. 90) несколько сложнее, так как в них выше уровень механизации процессов стирки, отжима и откачки воды.

Рис. 90. Устройство стиральной машины типа СМП: а – продольный разрез; б – панель управления; 1 – стиральный бак; 2 – активатор; 3 – электродвигатель привода активатора; 4 – бак центрифуги; 5 – электродвигатель привода центрифуги; 6 – центрифуга; 7 – насос; 8 – клапан; 9 – патрубки; 10 – указатель уровня жидкости; 11 – ручка управления работой узла стирки; 12 – ручка управления узла отжима; 13 – ручка переключения режимов стирки.

Конструктивно стиральная полуавтоматическая машина разделена на два узла: стирки и отжима. Узел стирки состоит из стирального бака с поддоном, активатора (лопастного диска), который закреплен на боковой стенке стирального бака; на поддоне устанавливается привод активатора с электродвигателем. Вращательные движения активатору передаются от электродвигателя посредством ременной передачи.

К узлу отжима относятся бак центрифуги, ко дну которого на амортизаторах подвешен электродвигатель привода центрифуги, сама центрифуга, закрепленная на валу двигателя, и насос, установленный на нижнем щите электродвигателя.

Между собой узлы соединены системой патрубков с клапаном.

Для управления процессами стирки и отжима на верхней крышке корпуса установлены три ручки: ручки управления стиркой и отжимом, которые снабжены часовыми механизмами (реле времени), автоматически отключающими соответствующие электродвигатели через определенное время, и ручка установки режима стирки.

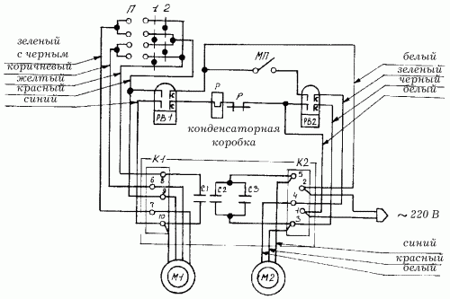
Суммарная мощность электродвигателей – 500–600 Вт. Двигатель активатора развивает скорость вращения от 600 до 1500 оборотов в минуту.; скорость вращения центрифуги – до 3000 оборотов в минуту. Если в процессе эксплуатации возникнет необходимость демонтировать электродвигатели (для производства ремонтных работ), то вновь осуществить их подключение можно, руководствуясь схемой, изображенной на рис. 91.

Рис. 91. Принципиальная схема подключения электродвигателей стиральной машины типа СМП.

Благодаря специальной конструкции лопастей активатора при его вращении по или против часовой стрелки в стиральном баке создается поток раствора разной мощности (разной степени активации). Поэтому в СМП предусмотрено два режима стирки:

– жесткий (I) – более интенсивный поток раствора, создаваемый вращением активатора против часовой стрелки;

– бережный (II) – менее интенсивный поток раствора, создаваемый вращением активатора по часовой стрелке.

Максимальная единовременная загрузка зависит от марки машины и достигает 3 кг сухого белья при жестком и 2 кг сухого белья при бережном режиме стирки.

Самыми совершенными на сегодняшний день бытовыми стиральными машинами являются машины типа СМА. Отечественные автоматические машины предусматривают до 12 программ, которые позволяют автоматизировать процессы заливки и откачивания воды, нагрева ее до заданной температуры, замачивания белья, введения нужного количества моющих средств. Такие машины самостоятельно (в соответствии с заданной программой) стирают, полощут и отжимают белье.

Согласно существующим правилам на подключение автоматических стиральных машин к электрической сети и системе водоснабжения необходимо получить разрешение электроснабжающих и коммунальных служб.

Как правило, чем больше операций может выполнять та или иная стиральная машина, тем сложнее ее устройство и, соответственно, труднее произвести ее ремонт. Но существует ряд стандартных для машин всех типов неполадок, с которыми вполне под силу справиться домашнему мастеру.

Если при включении реле времени электродвигатель (электродвигатели) не работает, то, возможно, в сети отсутствует напряжение или неисправна штепсельная розетка (проверить нужно индикаторной отверткой или включив в эту же розетку заведомо исправный электроприбор); а может быть, есть неполадки со шнуром питания (нужно прозвонить тестером шнур – возможно имеется обрыв жилы); вероятны неисправности в самом реле времени (его следует заменить).

Если при включении реле в положение «Стирка» электродвигатель гудит, но активатор не вращается, то скорее всего не зафиксировано положение ручки «Режим». Для устранения данной неисправности следует отключить реле стирки, ручку «Режим» установить строго на требуемую цифру и вновь запустить электродвигатель.

Если в процессе стирки в баке центрифуги уровень пены раствора достигнет дна самой центрифуги, то она не будет набирать обороты. Чтобы ликвидировать подобную неисправность, необходимо вынуть вставку горловины центрифуги, отвернуть гайку крепления (поворотом против часовой стрелки), снять шайбу и саму центрифугу и вынуть из отверстия вала штифт. После этого нужно откачать воду из бака центрифуги в бак стиральный, удалить пену и установить все снятые детали на место (в обратной последовательности). Внимание! Перед разборкой и сборкой обязательно следует отключить машину от сети.

  • Читать дальше
  • 1
  • ...
  • 59
  • 60
  • 61
  • 62
  • 63
  • 64
  • 65
  • 66
  • 67
  • 68
  • 69
  • ...

Ебукер (ebooker) – онлайн-библиотека на русском языке. Книги доступны онлайн, без утомительной регистрации. Огромный выбор и удобный дизайн, позволяющий читать без проблем. Добавляйте сайт в закладки! Все произведения загружаются пользователями: если считаете, что ваши авторские права нарушены – используйте форму обратной связи.

Полезные ссылки

  • Моя полка

Контакты

  • chitat.ebooker@gmail.com

Подпишитесь на рассылку: