Вход/Регистрация
Электрика в доме
вернуться

Коршевер Наталья Гавриловна

Шрифт:
Вторая жизнь люминесцентной лампы (не является новаторством клуба «Электрон»)

Если для освещения дома используются светильники с люминесцентными лампами, то надо учитывать, что их стоимость (по сравнению с лампами накаливания) значительна. И хотя лампы дневного света служат достаточно долго, необходимость их замены время от времени все же возникает.

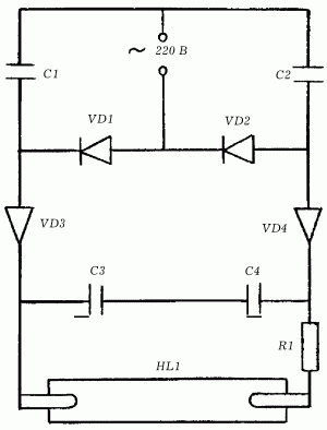
Продлить срок службы люминесцентных ламп и даже дать вторую жизнь лампам с перегоревшей нитью накала поможет бездроссельная схема их подключения к сетевому питанию. Схеме этой уже более четверти века, она достаточно популярна и приведена в этой книге (рис. 105).

Рис. 105. Схема сетевого питания люминесцентной лампы с перегоревшими нитями накала.

Следует отметить, что характеристики всех элементов предлагаемой схемы зависят от мощности самой лампы. Данные характеристики приведены в табл. 10.

Таблица 10. Характеристики элементов схемы питания люминесцентных ламп с перегоревшими нитями накала

Цепь из диодов VD1 и VD2 с конденсаторами С1 и С2 представляет собой двухполупериодный выпрямитель с удвоенным напряжением; при этом емкости конденсаторов определяют значение напряжения, поступающего на электроды лампы HL1 (зависимость прямая: чем больше емкость, тем выше напряжение).

В момент подключения к сетевому питанию импульс напряжения на выходе выпрямителя достигает 600 В. Сочетание диодов VD3 и VD4 с конденсаторами С3 и С4 дополнительно повышает напряжение зажигания, доводя его значение приблизительно до 900 В. При таком напряжении тлеющий разряд между электродами лампы возникает даже при отсутствии нитей накала. (У конденсаторов С3 и С4 есть и еще одна функция – они гасят радиопомехи, которые возникают при ионизационном разряде внутри стеклянной трубки лампы).

Лампа зажглась, ее сопротивление уменьшилось, следовательно, уменьшилось и напряжение на электродах лампы, что обеспечивает ее нормальную работу при напряжении около 220 В (обычный показатель для бытовых электросетей). Рабочее напряжение для лампы определяется номиналом резистора R1.

В принципе цепь из диодов VD3 и VD4 и конденсаторов С3 и С4 из схемы можно исключить, но в этом случае снижается пусковая надежность лампы (надежность зажигания).

Для составления подобной схемы потребуются следующие радиодетали:

– в качестве конденсаторов С1 и С2 используют бумажные или металлобумажные конденсаторы типа МБГ, КБГ, КБЛП, МБГО или МБГП, рассчитанные на напряжение 600 В;

– конденсаторы С3 и С4 могут быть типа КСГ, КСО, СГМ или СГО (со слюдяным диэлектриком). Они должны быть рассчитаны на рабочее напряжение не менее 600 В;

– резистор R1 – проволочный, его мощность должна соответствовать мощности включаемой лампы; можно использовать резисторы типа ПЭ, ПЭВ, ПЭВР;

– если в цепи присутствуют диоды марок Д205 или Д231 (при подключении ламп мощностью 80 или 100 Вт), то их установку следует производить на радиаторах (для отвода тепла).

Изложенная схема подключения люминесцентной лампы к сетевому питанию не только не имеет громоздкого дросселя и ненадежного пускателя, но и обеспечивает включение лампы без задержки, ее бесшумную работу и отсутствие неприятного мигания.

Подобные приборы, сконструированные по предложенным схемам, обычно не пылятся в чуланах и на чердаках, а занимают достойное место в электросети дома или в ящике с инструментами.

Охранные системы

Человеку всегда было свойственно защищать себя, свой дом и своих близких, свое имущество от возможной опасности. Для этого он применял все доступные способы и методы. Сначала это были простейшие средства физической защиты, со временем они трансформировались в охранные сигнализации, а в настоящее время на человека работают и эффективно справляются с поставленными перед ними задачами по охране современные многофункциональные системы безопасности.

Покупая квартиру или дом, открывая магазин, организуя собственную фирму, человек сталкивается с проблемой организации безопасности. Перед ним встает задача обеспечения должного уровня охраны своих ценностей. При решении этой задачи каждый обращается, прежде всего, к своему жизненному опыту. На его основе, с учетом своей сферы деятельности и деловых контактов даются субъективные и объективные оценки вероятности угрозы.

При выборе средств безопасности обязательно должны быть учтены такие немаловажные факторы, как территория расположения объекта, нуждающегося в охране, и криминогенная обстановка в этом районе.

Наряду с нынешними коммерческими предприятиями и банками потребителями охранных систем являются и частные лица: предприниматели, фермеры, имеющие в своей собственности магазины, коттеджи, хозяйство и т. д. Все большее число российских коммерсантов в целях защиты своего бизнеса от нежелательного вмешательства со стороны конкурентов и криминальных структур прибегают к средствам системы безопасности. Об этом свидетельствует большой спрос на подобное оборудование.

Например, еще несколько лет назад видеодомофоны для многих из наших соотечественников представлялись чем-то экзотическим и недоступным. Сейчас же они пользуются большим спросом, их предлагают многие фирмы-производители. Наряду с квартирным видеодомофоном, который представляет собой несложную систему и стоит не так дорого, есть и охранные комплексы, используемые для охраны частных домов или коттеджных поселков. Подобные устройства по своей технической сложности не отстают от систем, которые задействуются для охраны серьезных организаций.

  • Читать дальше
  • 1
  • ...
  • 72
  • 73
  • 74
  • 75
  • 76
  • 77
  • 78
  • 79
  • 80
  • 81
  • 82
  • ...

Ебукер (ebooker) – онлайн-библиотека на русском языке. Книги доступны онлайн, без утомительной регистрации. Огромный выбор и удобный дизайн, позволяющий читать без проблем. Добавляйте сайт в закладки! Все произведения загружаются пользователями: если считаете, что ваши авторские права нарушены – используйте форму обратной связи.

Полезные ссылки

  • Моя полка

Контакты

  • chitat.ebooker@gmail.com

Подпишитесь на рассылку: